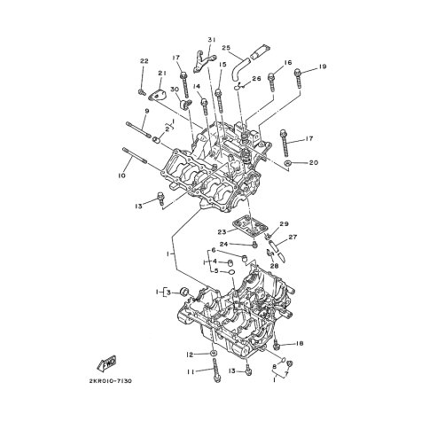
Artikelname: SCHLAUCH (HOSE (L219))
Hersteller: Yamaha
OEM Nummer: 90445-111E5 (90445111E5)
Kategorien: Kurbelgehäuse
1989
FZR250R
1987
FZR250
Yamaha Motor Co., Ltd.
YAMAHA MOTOR EUROPE N.V.
Hansemannstraße 12, 41468 Neuss
Postfach 21 06 53, 41432 Neuss
Deutschland
https://global.yamaha-motor.com/
https://www.yamaha-motor.eu/de