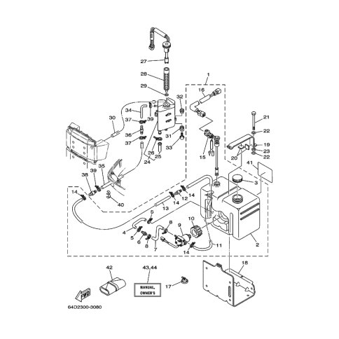
Artikelname: SCHLAUCH (HOSE (L6500))
Hersteller: Yamaha
OEM Nummer: 90445-11M26 (9044511M26)
Kategorien: Öltank, Allgemein
2013
115C
2012
115C
115C Y12
2011
115C
2010
200F
L250G
L200F
250G
115C
2009
L200F
115C
200F
2008
L250G
115C
250G
200F
L200F
2007
L250G
150F
Z150P
130B
200F
Z200N
LZ250D
LZ300A
Z150Q
L200F
Z175G
Z250F
Z200P
Z300A
250G
Z250D
LZ200N
115C
LZ150P
2006
LZ200N
150F
Z300A
L250G
Z150Q
Z200N
L200F
LZ250D
Z175G
Z250F
LZ300A
115C
250G
200F
L250A
130B
250A
Z200P
Z250D
Z150P
LZ150P
2005
LZ250D
Z250F
130B
150F
Z300A
Z150P
L200F
250A
200F
Z200P
LZ200N
Z200N
LZ150P
115C
L250A
Z175G
LZ300A
Z250D
Z150Q
2004
Z200P
Z300A
Z200N
150F
Z250D
Z150Q
Z250F
200F
Z175G
115C
LZ150P
LZ250D
Z150P
130B
250A
LZ300A
LZ200N
L250A
L200F
2003
Z250D
Z200N
225D
Z175G
L250B
Z150Q
200F
LZ250D
Z250F
150F
Z150P
200G
250A
L200F
175D
L250A
225F
Z200P
250B
115C
LZ150P
225G
L150F
LZ200N
130B
2002
Z150Q
Z200N
150F
225G
LZ200N
250B
Z175G
130B
Z150P
L250A
175D
D150H
LZ150P
L200F
200F
115C
L250B
2001
225G
L250A
L250B
250A
250B
2000
L250A
225G
250A
250B
L250B
1999
225G
1998
250B
L250B
1997
L250B
250B
250A
SL250AETO
1996
250A
L250AET
1995
250A
225C
L225C
L250A
1994
L250AET
L225CETO
225C
250A
1993
L250AET
250AET
1992
250AETO
L250AETO
1991
250AETO
L250AETO
Yamaha Motor Co., Ltd.
YAMAHA MOTOR EUROPE N.V.
Hansemannstraße 12, 41468 Neuss
Postfach 21 06 53, 41432 Neuss
Deutschland
https://global.yamaha-motor.com/
https://www.yamaha-motor.eu/de