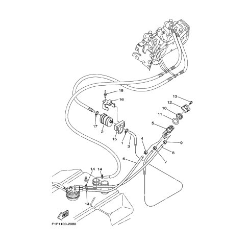
Artikelname: SCHLAUCH (HOSE (L450))
Hersteller: Yamaha
OEM Nummer: 90445-11M68 (9044511M68)
Kategorien: Tank
2006
XLT1200 (XA1200A-E)
2005
XLT1200 (XA1200A)
2004
JET FOR F1F
XLT1200 (XA1200A-C)
XLT800 (XA800A-C)
2003
JET FOR F1F
XLT1200 (XA1200A-B)
JET FOR XA1200
XLT800 (XA800A-B)
2002
XLT800 (XA800A-A)
JET FOR F1F
JET FOR XA1200
XLT1200 (XA1200-A)
2001
XL800 (WAVERUNNER X)
XLT1200 (XA1200A-Z)
JET FOR XA1200
JET FOR XA800
2000
JET FOR XA800
XL1200LTD (MJ1200XL)
ENG FOR XA1200
JET FOR XA1200Y
XL800 (XA800Y)
1999
XA1200X
ENG FOR XA1200
Yamaha Motor Co., Ltd.
YAMAHA MOTOR EUROPE N.V.
Hansemannstraße 12, 41468 Neuss
Postfach 21 06 53, 41432 Neuss
Deutschland
https://global.yamaha-motor.com/
https://www.yamaha-motor.eu/de