Artikelname: SCHLAUCH (HOSE (L3000))
Hersteller: Yamaha
OEM Nummer: 90445-11M81 (9044511M81)
Kategorien: Öltank, Allgemein, Tank
2019
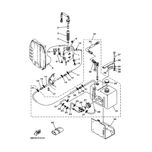
RIGGING FUEL TANK
2018
RIGGING FUEL TANK
2017
RIGGING FUEL TANK
2016
RIGGING FUEL TANK-20
2015
RIGGING FUEL TANK-20
2014
RIGGING FUEL TANK-20
2013
RIGGING FUEL-2013
2012
RIGGING FUEL TANK-20
2011
RIGGING FUEL TANK-20
2010
RIGGING FUEL TANK-20
2009
RIGGING PARTS (601F)
RIGGING FUEL TANK
2008
RIGGING FUEL TANK
2003
15F
EK9.9H
175D
2002
225D
200G
175D
115B
200F
2001
LZ150P
115C
Z150Q
LZ200N
Z150P
225D
130B
D150H
Z200N
200G
175D
Z175H
200F
115B
150F
100A
VZ200T
Z175G
2000
130B
LZ200N
150F
115B
LZ150P
Z200N
115C
200G
Z150P
Z150Q
100A
200F
225D
175D
1999
200G
D150H
130BETO
1998
115B
L200F
115C
L130BETO
225D
L150F
130BETO
1997
L150F
115B
225D
175F
175D
L130BETO
200F
130B
L200F
100A
150G
200G
150F
115C
1996
L200F
100A
225D
200F
150F
115B
L150F
200G
175D
1995
150C
L130BETO
115B
130B
ProV200
115C
L200BETO
200B
175B
L150CETO
1994
130B
L150CETO
115C
ProV200
150C
L130BETO
200B
175B
L200BETO
225B
1993
175B
200CETO
200B
115C
225B
115B
130B
150C
1992
150C
200CETO
115B
225B
200B
175B
1991
115B
PROV200
175B
225B
150C
130B
200B
1990
250ETD
L250AETO
130B
115B
115C
150C
225B
175B
200ETD
Yamaha Motor Co., Ltd.
YAMAHA MOTOR EUROPE N.V.
Hansemannstraße 12, 41468 Neuss
Postfach 21 06 53, 41432 Neuss
Deutschland
https://global.yamaha-motor.com/
https://www.yamaha-motor.eu/de