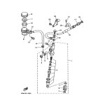
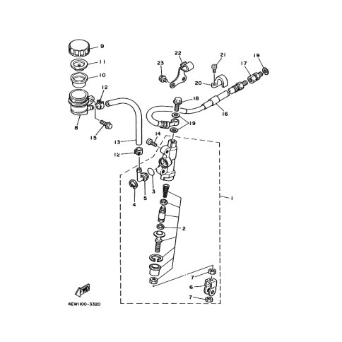
Artikelname: SCHLAUCH (HOSE)
Hersteller: Yamaha
OEM Nummer: 90445-135H9 (90445135H9)
Kategorien: Hauptbremszylinder
1993
YZ250
YZ125
Yamaha Motor Co., Ltd.
YAMAHA MOTOR EUROPE N.V.
Hansemannstraße 12, 41468 Neuss
Postfach 21 06 53, 41432 Neuss
Deutschland
https://global.yamaha-motor.com/
https://www.yamaha-motor.eu/de