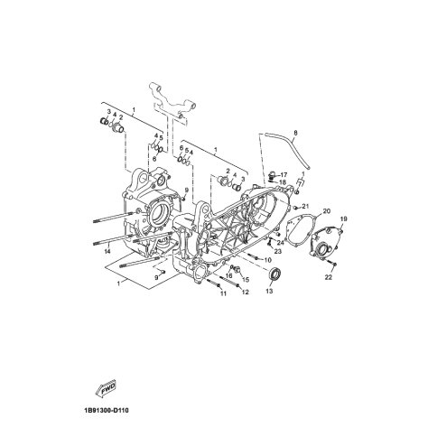
Artikelname: SCHLAUCH (HOSE)
Hersteller: Yamaha
OEM Nummer: 90445-13X00 (9044513X00)
Kategorien: Kurbelgehäuse
2012
XMAX 250 ABS (YP250RA)
XMAX 125 (YP125R)
XMAX 250 (YP250R)
XMAX 125 ABS (YP125RA)
X-CITY 125 (VP125)
X-CITY 250 (VP250)
2011
X-CITY 250 (VP250)
2010
XMAX 250 (YP250R)
XMAX 125 (YP125R)
2009
XMAX 125 (YP125R)
XMAX 250 (YP250R)
2008
XMAX 250 (YP250R)
XMAX 125 (YP125R)
X-CITY 250 (VP250)
2007
SKYCRUISER 125 (YP125R)
XMAX 125 (YP125R)
X-CITY 250 (VP250)
XMAX 250 (YP250R)
2006
XMAX 250 (YP250R)
2005
VERSITY (VP300)
XMAX 250 (YP250R)
2004
VERSITY (VP300)
2002
VERSITY (VP300)
KILIBRE (VP300)
Yamaha Motor Co., Ltd.
YAMAHA MOTOR EUROPE N.V.
Hansemannstraße 12, 41468 Neuss
Postfach 21 06 53, 41432 Neuss
Deutschland
https://global.yamaha-motor.com/
https://www.yamaha-motor.eu/de