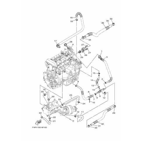
Artikelname: SCHLAUCH (SCHLAUCH (L910))
Hersteller: Yamaha
OEM Nummer: 90445-16026 (904451602600)
Kategorien: Auspuff
2022
SJ1050-X
2021
SUPERJET (SJ1050)
Yamaha Motor Co., Ltd.
YAMAHA MOTOR EUROPE N.V.
Hansemannstraße 12, 41468 Neuss
Postfach 21 06 53, 41432 Neuss
Deutschland
https://global.yamaha-motor.com/
https://www.yamaha-motor.eu/de