Artikelname: SCHLAUCH (HOSE)
Hersteller: Yamaha
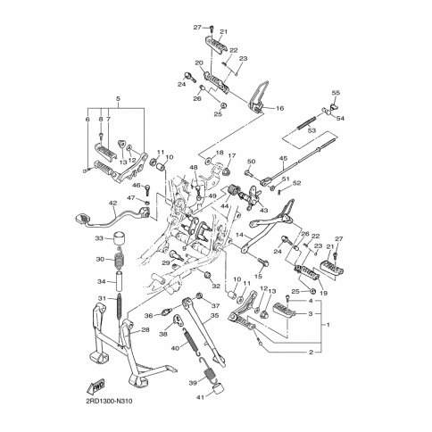
OEM Nummer: 90445-42002 (9044542002)
Kategorien: Ständer & Fussraste
2016
SR400
2014
SR400
Yamaha Motor Co., Ltd.
YAMAHA MOTOR EUROPE N.V.
Hansemannstraße 12, 41468 Neuss
Postfach 21 06 53, 41432 Neuss
Deutschland
https://global.yamaha-motor.com/
https://www.yamaha-motor.eu/de