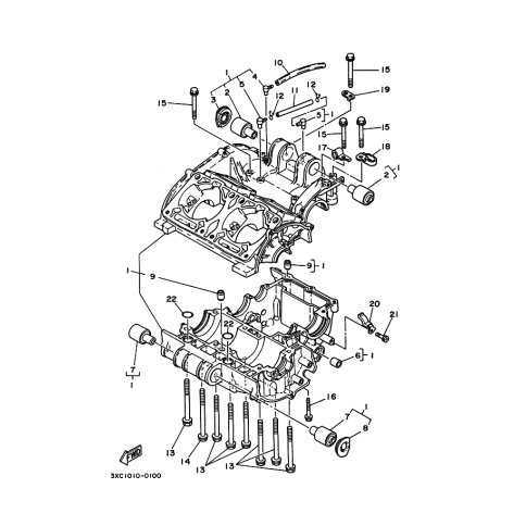
Artikelname: SCHLAUCH (HOSE)
Hersteller: Yamaha
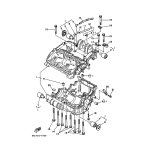
OEM Nummer: 90446-07314 (9044607314)
Kategorien: Kurbelgehäuse
1992
R1-Z
1991
R1-Z
Yamaha Motor Co., Ltd.
YAMAHA MOTOR EUROPE N.V.
Hansemannstraße 12, 41468 Neuss
Postfach 21 06 53, 41432 Neuss
Deutschland
https://global.yamaha-motor.com/
https://www.yamaha-motor.eu/de