Artikelname: SCHLAUCHSCHELLE (HOSE CLAMP ASSY)
Hersteller: Yamaha
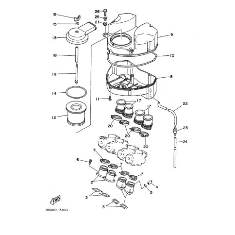
OEM Nummer: 90450-54001 (9045054001)
Kategorien: Aufnahme
1991
FZR250R
1990
FZR250R
1989
FZR250R
1987
FZR250
Yamaha Motor Co., Ltd.
YAMAHA MOTOR EUROPE N.V.
Hansemannstraße 12, 41468 Neuss
Postfach 21 06 53, 41432 Neuss
Deutschland
https://global.yamaha-motor.com/
https://www.yamaha-motor.eu/de