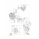
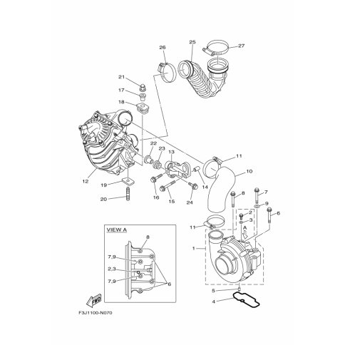
Artikelname: SCHLAUCHSCHELLE (HOSE CLAMP ASSY)
Hersteller: Yamaha
OEM Nummer: 90450-70006 (9045070006)
Kategorien: Einlass
2015
FZS (GX1800A-P)
FZR (GX1800-P)
FX CRUISER SVHO (FC1800A-P)
FX SVHO (FC1800-P)
FX SHO (FA1800-P)
FX CRUISER SHO (FA1800A-P)
2014
FX CRUISER SVHO (FC1800A-N)
FZS (GX1800A-N)
FX CRUISER SHO (FA1800A-N)
FX SVHO (FC1800-N)
FZR (GX1800-N)
FX SHO (FA1800-N)
2013
FX SHO (FA1800-M)
FX CRUISER SHO (FA1800A-M)
FZR (GX1800-M)
FZS (GX1800A-M)
Yamaha Motor Co., Ltd.
YAMAHA MOTOR EUROPE N.V.
Hansemannstraße 12, 41468 Neuss
Postfach 21 06 53, 41432 Neuss
Deutschland
https://global.yamaha-motor.com/
https://www.yamaha-motor.eu/de