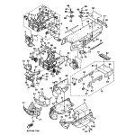
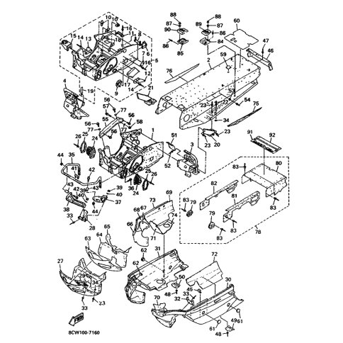
Artikelname: SCHELLE (CLAMP)
Hersteller: Yamaha
OEM Nummer: 90461-06142 (9046106142)
Kategorien: Rahmen, Rahmen 2
2005
VENTURE XL (VT500XL)
2004
VENTURE XL (VT500XL)
VENTURE (SXV70VT)
VENTURE (SXV60VT)
2003
SXViper ER (SXV70ER)
VT500XL
SXViper Mountain (SXV700)
VENTURE 600 (VT600)
VENTURE 700 (VT700)
1997
VENTURE 500 (VT500)
VENTURE 600 (VT600)
MOUNTAIN MAX 700 (VX700LT)
MOUNTAIN MAX 600 (VX600LT)
VMAX SX (VX600SX)
VMAX 700 SX (VX700SX)
Yamaha Motor Co., Ltd.
YAMAHA MOTOR EUROPE N.V.
Hansemannstraße 12, 41468 Neuss
Postfach 21 06 53, 41432 Neuss
Deutschland
https://global.yamaha-motor.com/
https://www.yamaha-motor.eu/de