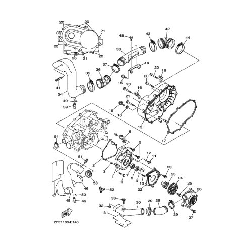
Artikelname: SCHELLE (CLAMP)
Hersteller: Yamaha
OEM Nummer: 90462-10036 (9046210036)
Kategorien: Kurbelgehäusedeckel
2006
RHINO 450 (YXR450F)
Yamaha Motor Co., Ltd.
YAMAHA MOTOR EUROPE N.V.
Hansemannstraße 12, 41468 Neuss
Postfach 21 06 53, 41432 Neuss
Deutschland
https://global.yamaha-motor.com/
https://www.yamaha-motor.eu/de