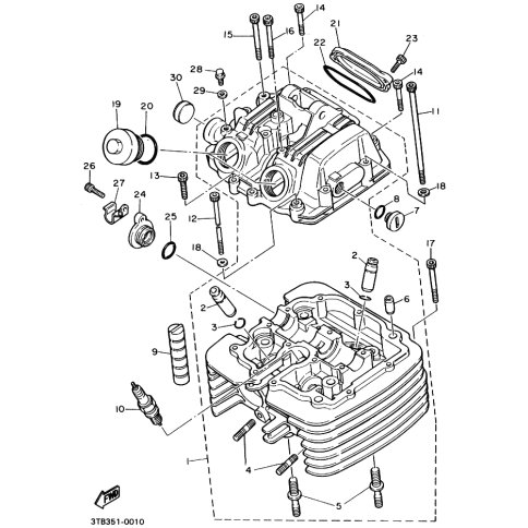
Artikelname: SCHELLE (CLAMP)
Hersteller: Yamaha
OEM Nummer: 90462-15196 (9046215196)
Kategorien: Zylinderkopf, Zylinder
1995
XT600E
1994
XT600
XT500E
XT600E
1993
XT600E
XT600
XT500E
1992
XT600
XT500E
XT600E
XT400E
1991
XT600E
XT500E
XT600
1990
XT600E
XT500E
Yamaha Motor Co., Ltd.
YAMAHA MOTOR EUROPE N.V.
Hansemannstraße 12, 41468 Neuss
Postfach 21 06 53, 41432 Neuss
Deutschland
https://global.yamaha-motor.com/
https://www.yamaha-motor.eu/de