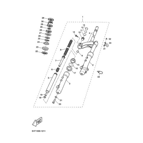
Artikelname: SCHELLE (CLAMP)
Hersteller: Yamaha
OEM Nummer: 90464-06X03 (9046406X03)
Kategorien: Gabel, Vordere Gabel
2002
THUNDER (XQ125)
MAXSTER (XQ125)
MAXSTER 150 (XQ150)
2001
MAXSTER (XQ125)
MAXSTER 150 (XQ150)
THUNDER (XQ125)
THUNDER (XQ150)
Yamaha Motor Co., Ltd.
YAMAHA MOTOR EUROPE N.V.
Hansemannstraße 12, 41468 Neuss
Postfach 21 06 53, 41432 Neuss
Deutschland
https://global.yamaha-motor.com/
https://www.yamaha-motor.eu/de