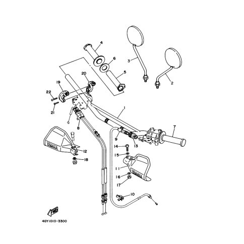
Artikelname: SCHELLE (CLAMP)
Hersteller: Yamaha
OEM Nummer: 90464-10193 (9046410193)
Kategorien: Lenker, Griff & Kabel, Allgemein
1997
TT250R
1996
Raid (TT250R RAID)
TT250R
SEROW (XT225W)
1995
TT250R
Raid (TT250R RAID)
SEROW (XT225W)
1994
TT250R
Raid (TT250R RAID)
1993
TT250R
Yamaha Motor Co., Ltd.
YAMAHA MOTOR EUROPE N.V.
Hansemannstraße 12, 41468 Neuss
Postfach 21 06 53, 41432 Neuss
Deutschland
https://global.yamaha-motor.com/
https://www.yamaha-motor.eu/de