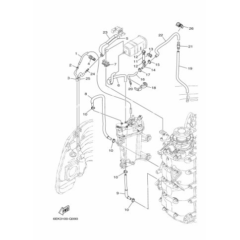
Artikelname: SCHELLE (CLAMP)
Hersteller: Yamaha
OEM Nummer: 90464-12006 (9046412006)
Kategorien: Einlass, Allgemein
2020
F130AETX
FL115BETX
F115B
2019
F50H
FT50J
F40F
F130A
F115B
FT60G
F70A
F40G
F30B
F60F
F40H
FL115B
2018
F30B
F115B
F60F
F40F
FL115B
F40G
F70A
FT50J
F130A
F40H
FT60G
F50H
2017
F115B
F30B
F40F
F70A
F40H
F50H
F60F
F40G
FL115B
F130A
FT50J
FT60G
2016
FT50J
F40G
F40F
F60F
F30B
F70A
F50H
F115B
FL115B
F40H
F130A
FT60G
2015
F40F
F70A
F30B
FT60G
F115B
F40H
F50H
FL115B
F60F
FT50J
F40G
F130A
2014
F30B
F70A
F115B
F40F
FL115B
FT50J
F50H
FT60G
F40G
F60F
F40H
2013
F40F
F40G
F30B
F40H
F70A
F50H
F60F
FT50J
FT60G
2012
F50F
F70A
F40D
F40F
F40D Y12
F40G
F30B
F60C
FT60D
FT50G Y12
F40G Y12
FT50G
2011
F30B
F40F
F50F
FT50G
F70A
FT60D
F60C
F40D
F40G
2010
F40F
FT50G
FT60D
F30B
F60C
F50F
F40D
2009
F30B
F40F
F40D
FT50G
F50F
F60C
FT60D
2008
F60C
FT50G
F40D
FT60D
F50F
2007
FT50G
F40D
F50F
FT60D
F60C
2006
F40D
F60C
FT50G
F50F
FT60D
2005
FT60D
FT50G
F60C
F50F
Yamaha Motor Co., Ltd.
YAMAHA MOTOR EUROPE N.V.
Hansemannstraße 12, 41468 Neuss
Postfach 21 06 53, 41432 Neuss
Deutschland
https://global.yamaha-motor.com/
https://www.yamaha-motor.eu/de