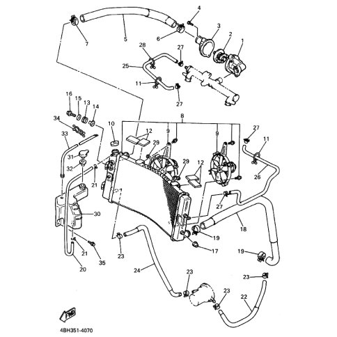
Artikelname: SCHELLE (CLAMP)
Hersteller: Yamaha
OEM Nummer: 90464-26114 (9046426114)
Kategorien: Elektrik 1, Lenker, Griff & Kabel, Kühler & Schlauch, Schalter & Hebel
2003
TZ250
2002
TZ250
2001
TZ250
2000
TZ250
TZ125
1999
TZ250
TZ125
1998
GTS1000
TZ250
GTS1000A
1997
TZ125
TZ250
1996
TZ125 (TZ125)
TZ250
1995
KODIAK 400 (YFM400FW)
YF400M-FW (YF400M-FW)
TZ250
1994
GTS1000
TZ250
KODIAK 400 (YFM400FW)
GTS1000A
1993
TZ250
KODIAK 400 (YFM400FW)
1992
TZ250
Yamaha Motor Co., Ltd.
YAMAHA MOTOR EUROPE N.V.
Hansemannstraße 12, 41468 Neuss
Postfach 21 06 53, 41432 Neuss
Deutschland
https://global.yamaha-motor.com/
https://www.yamaha-motor.eu/de