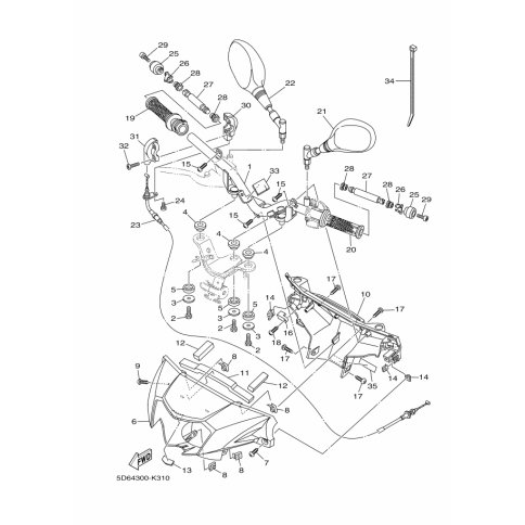
Artikelname: SCHELLE (CLAMP)
Hersteller: Yamaha
OEM Nummer: 90464-35800 (9046435800)
Kategorien: Lenker, Griff & Kabel, Elektrik 2
2011
T135FI CRYPTON X
Yamaha Motor Co., Ltd.
YAMAHA MOTOR EUROPE N.V.
Hansemannstraße 12, 41468 Neuss
Postfach 21 06 53, 41432 Neuss
Deutschland
https://global.yamaha-motor.com/
https://www.yamaha-motor.eu/de