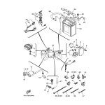
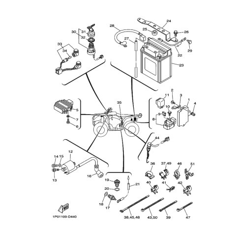
Artikelname: SCHELLE (CLAMP)
Hersteller: Yamaha
OEM Nummer: 90464-48837 (9046448837)
Kategorien: Elektrik 1
2007
BIG BEAR 250 (YFM250)
2006
BRUIN 250 (YFM250)
2005
BRUIN 250 (YFM250)
BEAR TRACKER (YFM250)
2004
BEAR TRACKER (YFM250)
2003
BEAR TRACKER (YFM250)
2002
BEAR TRACKER (YFM250)
Yamaha Motor Co., Ltd.
YAMAHA MOTOR EUROPE N.V.
Hansemannstraße 12, 41468 Neuss
Postfach 21 06 53, 41432 Neuss
Deutschland
https://global.yamaha-motor.com/
https://www.yamaha-motor.eu/de