Artikelname: SCHELLE (CLAMP)
Hersteller: Yamaha
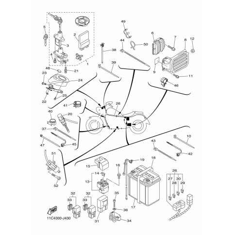
OEM Nummer: 90464-80002 (9046480002)
Kategorien: Elektrik 2, Rahmen
2022
YZF-R7 (YZF690)
YZF-R7 (YZF690-U)
2016
XVS1300A (XVS1300A)
MT-10 (MTN1000)
XVS1300 CUSTOM (XVS1300CU)
2015
XVS1300 CUSTOM (XVS1300CU)
2014
XVS1300 CUSTOM (XVS1300CU)
XVS1300A (XVS1300A)
2013
MIDNIGHT STAR (XV1900A)
2012
MIDNIGHT STAR (XV1900A)
2011
MIDNIGHT STAR (XV1900A)
XVS1300A (XVS1300A)
2010
XVS1300A (XVS1300A)
Yamaha Motor Co., Ltd.
YAMAHA MOTOR EUROPE N.V.
Hansemannstraße 12, 41468 Neuss
Postfach 21 06 53, 41432 Neuss
Deutschland
https://global.yamaha-motor.com/
https://www.yamaha-motor.eu/de