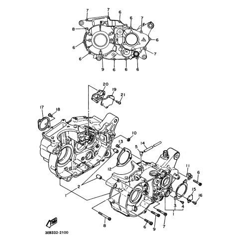
Artikelname: SCHELLE (CLAMP)
Hersteller: Yamaha
OEM Nummer: 90465-05132 (9046505132)
Kategorien: Kurbelgehäuse, Zylinderkopf
2000
SR400
1999
SR400
1998
SR400
1997
SR400
1995
SR400S
SR500
1993
SR400
SR500
1992
SR400C
SR500
SR400S
1991
SR500
1988
SR500
1987
SR500
1985
SR400
SR500
1978
SR500
Yamaha Motor Co., Ltd.
YAMAHA MOTOR EUROPE N.V.
Hansemannstraße 12, 41468 Neuss
Postfach 21 06 53, 41432 Neuss
Deutschland
https://global.yamaha-motor.com/
https://www.yamaha-motor.eu/de