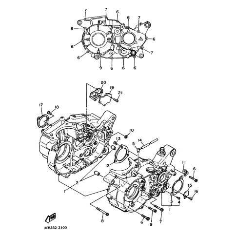
Artikelname: SCHELLE (CLAMP)
Hersteller: Yamaha
OEM Nummer: 90465-10021 (9046510021)
Kategorien: Kurbelgehäuse
2016
SR400
2014
SR400
2003
SR400
2002
SR400
2001
SR400
Yamaha Motor Co., Ltd.
YAMAHA MOTOR EUROPE N.V.
Hansemannstraße 12, 41468 Neuss
Postfach 21 06 53, 41432 Neuss
Deutschland
https://global.yamaha-motor.com/
https://www.yamaha-motor.eu/de