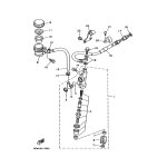
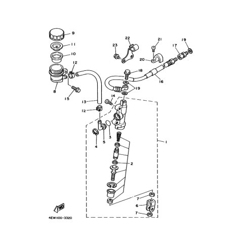
Artikelname: SCHELLE (CLAMP)
Hersteller: Yamaha
OEM Nummer: 90465-12362 (9046512362)
Kategorien: Hauptbremszylinder
1995
YZ250
YZ125
WR250Z
1994
WR250Z
YZ125
YZ250
1993
YZ250
YZ125
Yamaha Motor Co., Ltd.
YAMAHA MOTOR EUROPE N.V.
Hansemannstraße 12, 41468 Neuss
Postfach 21 06 53, 41432 Neuss
Deutschland
https://global.yamaha-motor.com/
https://www.yamaha-motor.eu/de