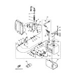
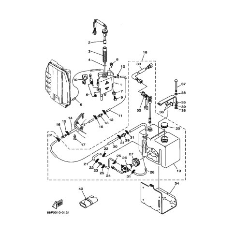
Artikelname: SCHELLE (CLAMP)
Hersteller: Yamaha
OEM Nummer: 90465-12M92 (9046512M92)
Kategorien: Öltank
2003
Z200N
Z175G
Z150Q
Z150P
Z200P
LZ150P
LZ200N
2002
Z150Q
Z200N
LZ200N
Z175G
Z150P
LZ150P
2001
LZ150P
Z150Q
LZ200N
Z150P
Z200N
Z175H
VZ200T
Z175G
2000
LZ200N
LZ150P
Z200N
Z150P
Z150Q
Yamaha Motor Co., Ltd.
YAMAHA MOTOR EUROPE N.V.
Hansemannstraße 12, 41468 Neuss
Postfach 21 06 53, 41432 Neuss
Deutschland
https://global.yamaha-motor.com/
https://www.yamaha-motor.eu/de