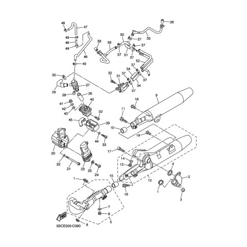
Artikelname: SCHRAUBE (BOLT, BUTTON HEAD)
Hersteller: Yamaha
OEM Nummer: 92017-10016 (9201710016)
Kategorien: Auspuff
2006
DRAGSTAR 650 CLASSIC (XVS650A)
RX-1 Mountain (RX10M)
2005
VENTURE XL (VT500XL)
DRAGSTAR 650 CLASSIC (XVS650A)
2004
RX-1 ER (RX10R)
VENTURE XL (VT500XL)
VENTURE (SXV70VT)
VENTURE (SXV60VT)
DRAGSTAR 650 CLASSIC (XVS650A)
RXWarrior (RX10)
2003
RX-1 Mountain (RX10M)
RX-1 ER (RX10R)
VT500XL
VENTURE 600 (VT600)
VENTURE 700 (VT700)
Yamaha Motor Co., Ltd.
YAMAHA MOTOR EUROPE N.V.
Hansemannstraße 12, 41468 Neuss
Postfach 21 06 53, 41432 Neuss
Deutschland
https://global.yamaha-motor.com/
https://www.yamaha-motor.eu/de