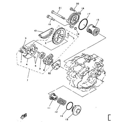
Artikelname: SCREW, CROSSRECESS (8G6) (SCREW, FLAT HEAD)
Hersteller: Yamaha
OEM Nummer: 92701-06020 (9270106020)
Kategorien: Ölpumpe
1988
SR125
1987
SR125
Yamaha Motor Co., Ltd.
YAMAHA MOTOR EUROPE N.V.
Hansemannstraße 12, 41468 Neuss
Postfach 21 06 53, 41432 Neuss
Deutschland
https://global.yamaha-motor.com/
https://www.yamaha-motor.eu/de