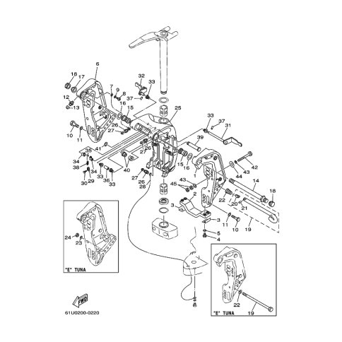
Artikelname: WASHER(6E5) (WASHER)
Information: FOR TUNA
Hersteller: Yamaha
OEM Nummer: 92995-16600 (9299516600)
Kategorien: Allgemein
2003
E115A
Yamaha Motor Co., Ltd.
YAMAHA MOTOR EUROPE N.V.
Hansemannstraße 12, 41468 Neuss
Postfach 21 06 53, 41432 Neuss
Deutschland
https://global.yamaha-motor.com/
https://www.yamaha-motor.eu/de