Artikelname: WELLENDICHTRING (OIL SEAL)
Hersteller: Yamaha
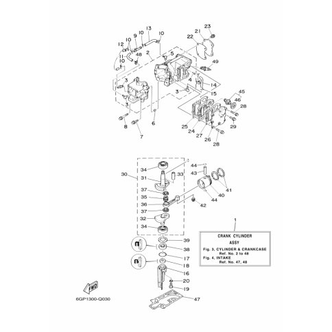
OEM Nummer: 93101-10M25 (9310110M25)
Kategorien: Allgemein, Reparatur Kit
2019
4C
2018
4C
2017
4C
2016
4C
2015
5C
2014
5C
2013
5C
2012
5C
5C Y12
2011
5C
2010
5C
2009
5C
2008
5C
2007
5C
2006
5C
2004
5C
2003
4AC
5C
2002
4AC
5C
2001
F4A
5C
4AC
2000
F4A
1999
5CMH
4AC
5C
1998
5C
F4A
4AC
1997
5C
1996
5CS
4AC
4AS
5C
1995
5C
5CS
4AC
4AS
1994
5CS
4AS
4AC
5C
1993
4AS
4AC
5C
5CS
1992
5CS
4AC
4AS
5C
1990
4AS
4AC
5CS
5C
1989
4AC
5C
5CS
4AS
1988
4AC
5C
5CS
4AS
Yamaha Motor Co., Ltd.
YAMAHA MOTOR EUROPE N.V.
Hansemannstraße 12, 41468 Neuss
Postfach 21 06 53, 41432 Neuss
Deutschland
https://global.yamaha-motor.com/
https://www.yamaha-motor.eu/de