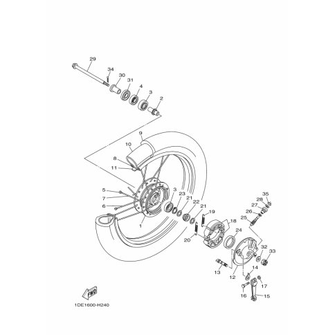
Artikelname: WELLENDICHTRING (OIL SEAL)
Hersteller: Yamaha
OEM Nummer: 93102-18802 (9310218802)
Kategorien: Vorderrad
1996
RX100
Yamaha Motor Co., Ltd.
YAMAHA MOTOR EUROPE N.V.
Hansemannstraße 12, 41468 Neuss
Postfach 21 06 53, 41432 Neuss
Deutschland
https://global.yamaha-motor.com/
https://www.yamaha-motor.eu/de