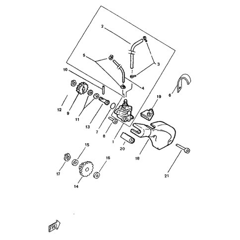
Artikelname: SPRENGRING (BOLA)
Hersteller: Yamaha
OEM Nummer: 93410-08824 (9341008824)
Kategorien: Vergaser, Allgemein, Wasserpumpe, Ölpumpe
1997
DT50R
1996
TZR50
Yamaha Motor Co., Ltd.
YAMAHA MOTOR EUROPE N.V.
Hansemannstraße 12, 41468 Neuss
Postfach 21 06 53, 41432 Neuss
Deutschland
https://global.yamaha-motor.com/
https://www.yamaha-motor.eu/de