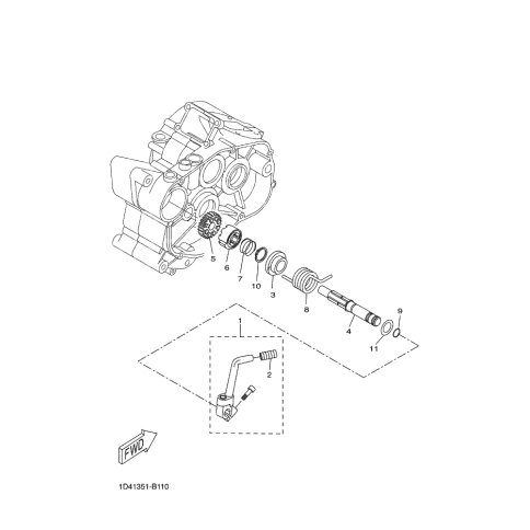
Artikelname: SPRENGRING (CIRCLIP)
Hersteller: Yamaha
OEM Nummer: 93410-18X00 (9341018X00)
Kategorien: Anlasser
2010
DT50RSM (DT50RSM)
DT50R
Yamaha Motor Co., Ltd.
YAMAHA MOTOR EUROPE N.V.
Hansemannstraße 12, 41468 Neuss
Postfach 21 06 53, 41432 Neuss
Deutschland
https://global.yamaha-motor.com/
https://www.yamaha-motor.eu/de