Artikelname: SPRENGRING (CIRCLIP)
Hersteller: Yamaha
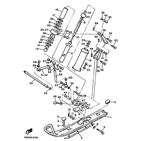
OEM Nummer: 93410-63066 (9341063066)
Kategorien: Allgemein
1991
OVATION (CS340E)
1990
CS340P
1988
PZ480
PZ480E
CS340N
1987
PZ480L
1986
PZ480K
Yamaha Motor Co., Ltd.
YAMAHA MOTOR EUROPE N.V.
Hansemannstraße 12, 41468 Neuss
Postfach 21 06 53, 41432 Neuss
Deutschland
https://global.yamaha-motor.com/
https://www.yamaha-motor.eu/de