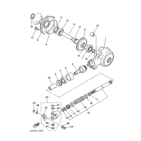
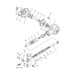
Artikelname: SPRENGRING (??????)
Hersteller: Yamaha
OEM Nummer: 93440-28075 (9344028075)
Kategorien: Antriebswelle
1986
T80
T50
1983
TOWN MATE (T80D)
T80
TOWN MATE (T80ED)
Yamaha Motor Co., Ltd.
YAMAHA MOTOR EUROPE N.V.
Hansemannstraße 12, 41468 Neuss
Postfach 21 06 53, 41432 Neuss
Deutschland
https://global.yamaha-motor.com/
https://www.yamaha-motor.eu/de