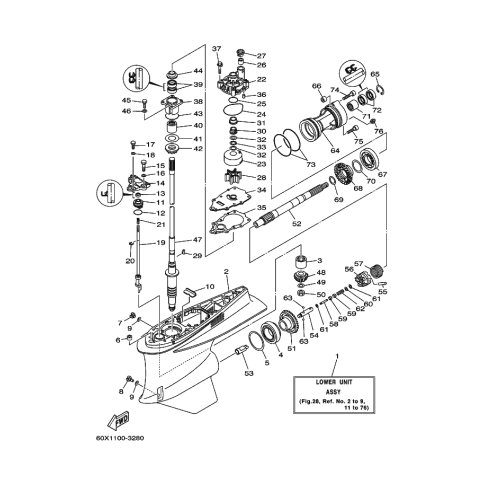
Artikelname: SPRENGRING (CIRCLIP)
Hersteller: Yamaha
OEM Nummer: 93450-45M02 (9345045M02)
Kategorien: Allgemein
2007
Z250F
2006
Z250F
2005
Z250F
2004
Z250F
2003
Z250F
Yamaha Motor Co., Ltd.
YAMAHA MOTOR EUROPE N.V.
Hansemannstraße 12, 41468 Neuss
Postfach 21 06 53, 41432 Neuss
Deutschland
https://global.yamaha-motor.com/
https://www.yamaha-motor.eu/de