Artikelname: FLANSCHSCHRAUBE (BOLT, FLG.(SMALL HEAD))
Hersteller: Yamaha
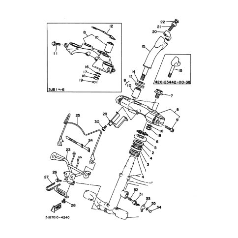
OEM Nummer: 95024-06008 (9502406008)
Kategorien: Lenkung
2001
VIRAGO 535 (XV535)
2000
VIRAGO 535 (XV535)
1999
VIRAGO (XV535)
1998
VIRAGO (XV535)
1997
VIRAGO (XV535S)
VIRAGO (XV535)
1996
VIRAGO (XV535)
VIRAGO 535 (XV535)
VIRAGO (XV535S)
VIRAGO (XV500S)
VIRAGO (XV500)
1995
VIRAGO 535 (XV535)
VIRAGO (XV535)
VIRAGO (XV500S)
VIRAGO (XV500)
VIRAGO (XV535S)
1994
VIRAGO (XV400)
Yamaha Motor Co., Ltd.
YAMAHA MOTOR EUROPE N.V.
Hansemannstraße 12, 41468 Neuss
Postfach 21 06 53, 41432 Neuss
Deutschland
https://global.yamaha-motor.com/
https://www.yamaha-motor.eu/de