Artikelname: FLANSCHSCHRAUBE (BOLT, FLANGE)
Hersteller: Yamaha
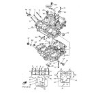
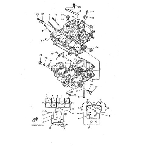
OEM Nummer: 95816-06060 (9581606060)
Kategorien: Kurbelgehäuse
1993
FZX750
1991
FZX750
FZ750
1990
FZ750
1989
FZ750
1988
FZ750
FZR1000
FZX750
FZR750R
1987
FZR1000
FZ750T
FZ750
FZX750
FZ750 T
1986
FZ750
FZX750
1985
FZ750
Yamaha Motor Co., Ltd.
YAMAHA MOTOR EUROPE N.V.
Hansemannstraße 12, 41468 Neuss
Postfach 21 06 53, 41432 Neuss
Deutschland
https://global.yamaha-motor.com/
https://www.yamaha-motor.eu/de