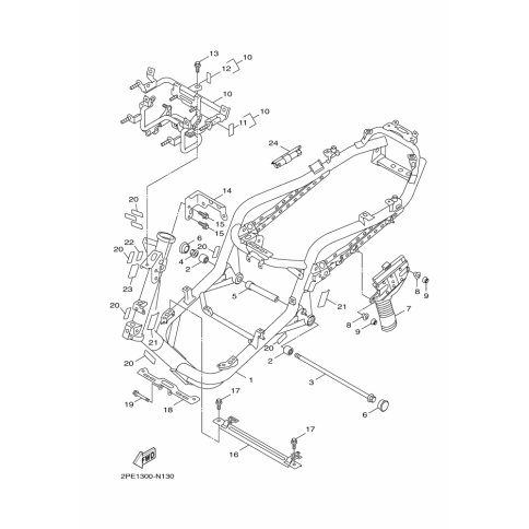
Artikelname: BOLT, FLANGE (8H8) (BOLT, FLANGE)
Hersteller: Yamaha
OEM Nummer: 95822-06055 (9582206055)
Kategorien: Rahmen
2014
MAJESTY S (XC125R)
1990
SR540P
1989
SR540N
1988
XL540L
SR540
1987
XL540L
SR540L
Yamaha Motor Co., Ltd.
YAMAHA MOTOR EUROPE N.V.
Hansemannstraße 12, 41468 Neuss
Postfach 21 06 53, 41432 Neuss
Deutschland
https://global.yamaha-motor.com/
https://www.yamaha-motor.eu/de