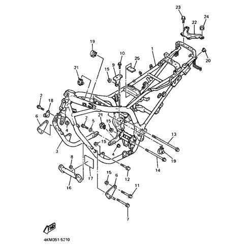
Artikelname: BOLT, FLANGE(8BE) (BOLT, FLANGE)
Hersteller: Yamaha
OEM Nummer: 95827-10050 (9582710050)
Kategorien: Hinterradbremssattel, Bremssattel Hinten, Rahmen
2019
VK540V (VK540F)
2005
VK540 III (VK540III)
2004
VK540 III (VK540E-3)
2003
VK540 III (VK540E-3)
2002
WILD STAR (XV1600A)
2001
WILD STAR (XV1600A)
2000
WILD STAR (XV1600A)
1999
Wild Star (XV1600A)
XV1600
1997
VK540 II (VK540E-2)
1996
VK540 II (VK540E-2)
1995
DIVERSION (XJ900S)
Yamaha Motor Co., Ltd.
YAMAHA MOTOR EUROPE N.V.
Hansemannstraße 12, 41468 Neuss
Postfach 21 06 53, 41432 Neuss
Deutschland
https://global.yamaha-motor.com/
https://www.yamaha-motor.eu/de