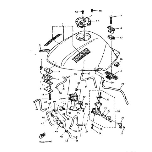
Artikelname: SCHRAUBE (SCHRAUBE)
Hersteller: Yamaha
OEM Nummer: 97007-06100 (9700706100)
Kategorien: Tank
1995
XJ600N
Yamaha Motor Co., Ltd.
YAMAHA MOTOR EUROPE N.V.
Hansemannstraße 12, 41468 Neuss
Postfach 21 06 53, 41432 Neuss
Deutschland
https://global.yamaha-motor.com/
https://www.yamaha-motor.eu/de