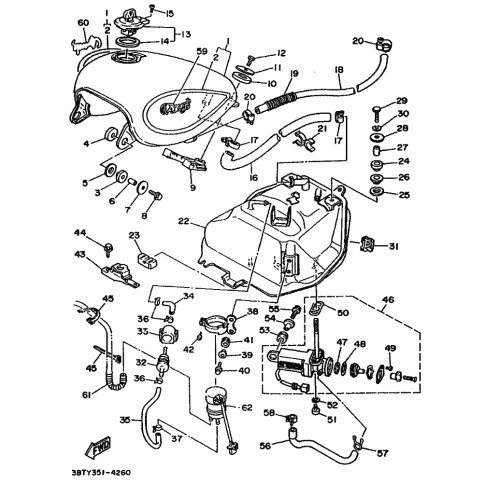
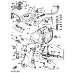
Artikelname: SCHRAUBE (BOLT)
Hersteller: Yamaha
OEM Nummer: 97007-08016 (9700708016)
Kategorien: Ständer & Fussraste, Einlass, Auspuff, Fender & Carrier, Sitz, Rahmen, Tank, Kotflugel, Blatt, Heck, Treibstofftank, Lenker, Griff & Kabel
2011
PW80
2010
PW80
2009
PW80 (PW80)
2008
PW80
2007
FJR1300AS (FJR1300AS)
PW80
FJR1300A (FJR1300A)
2006
FJR1300A (FJR1300A)
FJR1300AS (FJR1300AS)
YB1-4 (YB-1)
PW80
2005
PW80
2004
PW80
TT600RE (TT600RE)
2003
PW80
2002
PW80
2001
YB1-4 (YB-1)
VIRAGO 535 (XV535)
PW80 (PW80)
TT600R
ROYALSTAR VENTURE (XVZ13TF)
2000
VIRAGO 535 (XV535)
ROYALSTAR VENTURE (XVZ13TF)
PW80 (PW80)
1999
DT175
TT600R
VIRAGO (XV1100)
VIRAGO (XV535)
VIRAGO (XV1100S)
ROYALSTAR VENTURE (XVZ13TF)
PW80
1998
PW80
VIRAGO (XV1100)
YB-1 (YB-1)
VIRAGO (XV535)
1997
VIRAGO (XV535S)
VIRAGO (XV535)
YB-1 (YB-1)
PW80
TT600R
VIRAGO (XV1100)
1996
VIRAGO (XV535)
VIRAGO 535 (XV535)
VIRAGO (XV535S)
VIRAGO (XV750)
VIRAGO (XV500S)
VIRAGO (XV1100)
BRAVO (BR250T)
DT50R
VIRAGO (XV500)
RT100 (RT100)
PW80
1995
VIRAGO 535 (XV535)
VIRAGO (XV535)
VIRAGO (XV1100)
DT50R
VIRAGO (XV500S)
RT100 (RT100)
VIRAGO (XV500)
VIRAGO (XV535S)
BRAVO (BR250T)
VIRAGO (XV750)
PW80
1994
VIRAGO (XV400)
Yamaha Motor Co., Ltd.
YAMAHA MOTOR EUROPE N.V.
Hansemannstraße 12, 41468 Neuss
Postfach 21 06 53, 41432 Neuss
Deutschland
https://global.yamaha-motor.com/
https://www.yamaha-motor.eu/de