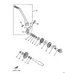
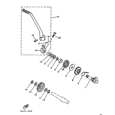
Artikelname: SCHRAUBE (BOLT)
Hersteller: Yamaha
OEM Nummer: 97021-08030 (9702108030)
Kategorien: Anlasser
1993
AG200E
1991
SR500
XT125
1989
ME50
TW200E
1988
XT125
1986
ME50
Yamaha Motor Co., Ltd.
YAMAHA MOTOR EUROPE N.V.
Hansemannstraße 12, 41468 Neuss
Postfach 21 06 53, 41432 Neuss
Deutschland
https://global.yamaha-motor.com/
https://www.yamaha-motor.eu/de