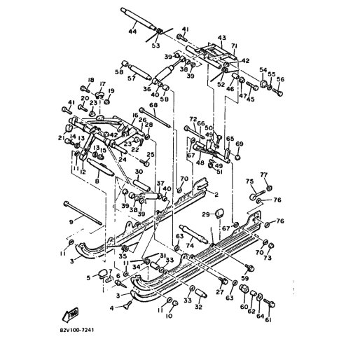
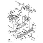
Artikelname: SCHRAUBE (BOLT)
Hersteller: Yamaha
OEM Nummer: 97022-08255 (9702208255)
Kategorien: Allgemein
1993
EXCITER II SX (EX570SX)
1992
EX570
EXCITER II E (EX570E)
1991
EX570
OVATION (CS340E)
1990
SR540P
CS340P
1989
SR540N
1988
XL540L
PZ480
PZ480E
SR540
CS340N
ET340
Yamaha Motor Co., Ltd.
YAMAHA MOTOR EUROPE N.V.
Hansemannstraße 12, 41468 Neuss
Postfach 21 06 53, 41432 Neuss
Deutschland
https://global.yamaha-motor.com/
https://www.yamaha-motor.eu/de