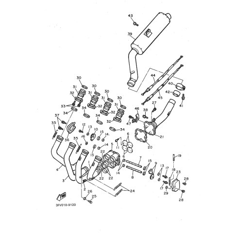
Artikelname: SCHRAUBE (BOLT)
Hersteller: Yamaha
OEM Nummer: 97080-05008 (9708005008)
Kategorien: Auspuff
1990
FZR750R
1989
FZR750R
Yamaha Motor Co., Ltd.
YAMAHA MOTOR EUROPE N.V.
Hansemannstraße 12, 41468 Neuss
Postfach 21 06 53, 41432 Neuss
Deutschland
https://global.yamaha-motor.com/
https://www.yamaha-motor.eu/de