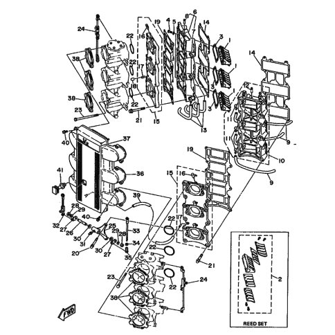
Artikelname: SCHRAUBE, MIT SCHEIBE (BOLT, WITH WASHER)
Hersteller: Yamaha
OEM Nummer: 97513-06565 (9751306565)
Kategorien: Einlass, Allgemein
1997
250A
SL250AETO
1996
250A
L250AET
1995
250A
225C
L225C
L250A
1994
L250AET
L225CETO
225C
250A
1993
L250AET
250AET
1992
250AETO
L250AETO
1991
250AETO
L250AETO
1990
250ETD
L250AETO
Yamaha Motor Co., Ltd.
YAMAHA MOTOR EUROPE N.V.
Hansemannstraße 12, 41468 Neuss
Postfach 21 06 53, 41432 Neuss
Deutschland
https://global.yamaha-motor.com/
https://www.yamaha-motor.eu/de