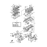
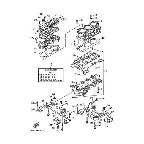
Artikelname: SCHRAUBE, MIT SCHEIBE (BOLT, WITH WASHER)
Hersteller: Yamaha
OEM Nummer: 97513-08630 (9751308630)
Kategorien: Allgemein, Tacho
2018
90A
2017
90A
1999
GP1200 (GP1200X)
1200GP
XL1200X
GP1200X
1998
GP1200W
XL1200W
1200GP
1200XL
XL1200 (XL1200W)
GP1200 (GP1200W)
1997
WAVEVENTURE (WVT1100V)
GP1200V
1996
WAVERAIDER 1100 (RA1100U)
WAVEVENTURE 1100 (WVT1100)
Yamaha Motor Co., Ltd.
YAMAHA MOTOR EUROPE N.V.
Hansemannstraße 12, 41468 Neuss
Postfach 21 06 53, 41432 Neuss
Deutschland
https://global.yamaha-motor.com/
https://www.yamaha-motor.eu/de