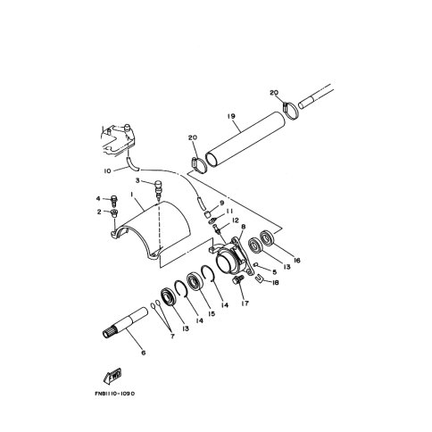
Artikelname: SCHRAUBE, MIT SCHEIBE (BOLT, WITH WASHER)
Hersteller: Yamaha
OEM Nummer: 97595-06225 (9759506225)
Kategorien: Allgemein
1994
MJ650TX
1993
WRB650R
1992
MJ-650TX
1991
MJ-650TX
Yamaha Motor Co., Ltd.
YAMAHA MOTOR EUROPE N.V.
Hansemannstraße 12, 41468 Neuss
Postfach 21 06 53, 41432 Neuss
Deutschland
https://global.yamaha-motor.com/
https://www.yamaha-motor.eu/de