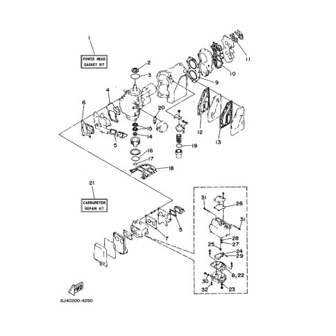
Artikelname: SCREW PANHEAD (669) (SCREW, PAN HEAD WITH WASHER)
Hersteller: Yamaha
OEM Nummer: 97603-05117 (9760305117)
Kategorien: Reparatur Kit, Vergaser
2003
40J
E40G
Yamaha Motor Co., Ltd.
YAMAHA MOTOR EUROPE N.V.
Hansemannstraße 12, 41468 Neuss
Postfach 21 06 53, 41432 Neuss
Deutschland
https://global.yamaha-motor.com/
https://www.yamaha-motor.eu/de