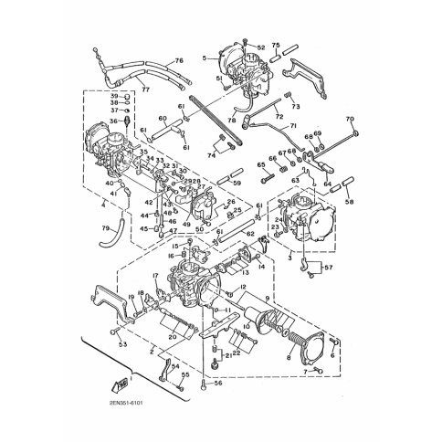
Artikelname: SCREW, CROSS (3H5) (SCREW, PAN HEAD)
Hersteller: Yamaha
OEM Nummer: 97801-05008 (9780105008)
Kategorien: Vergaser
2005
TRICKER (XG250)
2003
VMAX 1200 (VMX12)
2002
VMAX 1200 (VMX12)
2001
VMAX 1200 (VMX12)
2000
VMAX 1200 (VMX12)
1992
VMX1200
1986
PZ480K
Yamaha Motor Co., Ltd.
YAMAHA MOTOR EUROPE N.V.
Hansemannstraße 12, 41468 Neuss
Postfach 21 06 53, 41432 Neuss
Deutschland
https://global.yamaha-motor.com/
https://www.yamaha-motor.eu/de