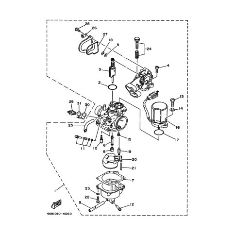
Artikelname: SCREW, PANHEAD (2F3) (SCREW, PAN HEAD)
Hersteller: Yamaha
OEM Nummer: 97801-05014 (9780105014)
Kategorien: Vergaser
2003
OVETTO 100 (YN100)
MAJESTY 250 ABS (YP250A)
NEO'S 100 (YN100)
MAJESTY 250 (YP250)
2002
MAJESTY 250 (YP250)
2001
NEO'S 100 (YN100)
AEROX 100 (YQ100)
2000
AEROX 100 (YQ100)
MAJESTY 250 (YP250)
SKYLINER 250 (YP250)
1999
YN100
OVETTO 100 (YN100'99)
1997
JOGPOCHE (CY50HS)
YA90
JOGPOCHE (CY50H)
JOG APRIO TYPE2 (YJ50S)
1996
GEAR (BA50)
JOGPOCHE (CY50H)
JOGPOCHE (CY50HS)
GEAR (BA50N)
GEAR (BA50S)
1994
YA90
GEAR (BA50)
GEAR (BA50ST)
GEAR (BA50S)
1980
XS1100G
Yamaha Motor Co., Ltd.
YAMAHA MOTOR EUROPE N.V.
Hansemannstraße 12, 41468 Neuss
Postfach 21 06 53, 41432 Neuss
Deutschland
https://global.yamaha-motor.com/
https://www.yamaha-motor.eu/de